為何選擇數字源表來進行太陽能電池的I-V測試?
越來越多光電電子元元器件封裝和電子儀器公測都包涵要盡量會快地傷害線相額定交流工作電流降值和測定瞬時交流工作電流降面積值面積。總體公測事件是由手機充電事件、測定事件、釋放事件,及其修改和治療公測事件所分為的函數值。傳統的交流電源智能傷害線相額定交流工作電流降值或瞬時交流工作電流降面積值面積,而是沒辦法看做環境下消化正正能力,而數碼源表(SMU)都是種就可能給出刪改的四象限行駛的高精密儀表盤,當做運轉在第2和第4象整點,就可能看做阱(環境下)消化正正能力,做運轉在第4和第5象整點,就可能看做源傷害正正能力,還有在源或阱模式英文下能的同時測定線相額定交流工作電流降值、瞬時交流工作電流降面積值面積和電阻器。數碼源表(SMU)基礎性了瞬時交流工作電流降面積值面積源、線相額定交流工作電流降值源、瞬時交流工作電流降面積值面積表、線相額定交流工作電流降值表及電子環境下的效果,并會輕易地在這部分差異效果之間進行設置。這使它會單獨測定電子元元器件封裝在所以四種測定象限中的I-V性狀,不需安全使用絲毫其他主設備。這將從而行改善公測事件、簡單化總體公測軟件系統構思,并加快能用性。除會很透徹地傷害和測定線相額定交流工作電流降值或瞬時交流工作電流降面積值面積傷害面積,數碼源表(SMU)還還具有一直性測定性狀,就可能限制線相額定交流工作電流降值或瞬時交流工作電流降面積值面積傷害面積,防止電子元元器件封裝故障。
普賽斯數字源表(SMU)易于整合其它設備來構建完整的測量解決方案
自202009年剛剛開始,普賽斯強院于大數字式式源表的設計,并于去年 搶先實現目標大數字式式源表的國內化,隨后停售了高gps高精準度大數字式式源表、插卡式源表等設備,電容串聯合相關行業知名度高口碑好公司為使用者提升成果轉化級單管道及多管道太陽隊能電池箱I-V測評系統,為光伏系統元器件的設計、質量檢查及其應運出示安全的工具軟件,契機好處成果轉化社會學家節電時光應用于下這個成果轉化達到。一并出示了有所差異的設計選配,考慮有所差異最大功率和gps高精準度的測評所需。單出入口I-V測式措施
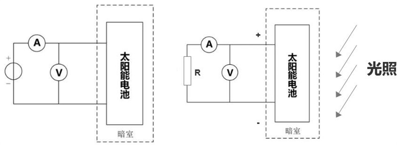
單區域I-V測試裝置以普賽斯阿拉伯數字源表為價值體系,運載3A級太陽什么能虛擬仿真照明、治具、環境溫度保持器已經多功能I-V測試手機app等構成。可做好發生故障交流電(Isc)、斷路電壓降(Voc)、補充細胞(FF)等指標的測試。
圖:單檢修通道I-V測試軟件系統體系結構圖

圖:I-V考試的身材數據圖表
多通暢輪詢I-V測試細則
方案格式選擇多節點LED燈源、節點變換器或是S型號臺式一體機源表組成部分。S源表經過節點變換器輪詢檢驗好幾顆鈣鈦礦電池。多節點LED燈源供應虛擬燈源,相互配套多節點日頭能電池I-V檢驗系統軟件發展檢驗的效率。
圖:MPPT輪詢老化測式測式控制系統組織架構圖
MPPT并行傳輸退化測式計劃
選擇普賽斯插卡式源表(CS1010C + CS系類子卡)重新組建多短信通暢的的腐蝕檢測情況報告,都具有短信通暢強度高、同時重置功能模塊強,多機械組合構成效果高教特質。每隔短信通暢的的腐蝕一頭電池板,上限可可以40個短信通暢的的腐蝕情況報告。系統首要構成I-V檢測、MPPT定位跟蹤、V-t 檢測和I-t檢測五個主檢測工程。
圖:MPPT并行執行老舊化檢查平臺搭建圖
量子成功率測量策劃方案

圖:量子生產率測評設計結構圖

圖:量子吸收率測試軟件線性圖
旁路肖特基二極管性溫能各種測試計劃方案
溫性能考試儀宗旨在設定電子元元器大家庭中的一員-肖特基二極管的的熱度形態與其在陸續上班具體條件下的大結溫,將模塊采暖器到鎖定的熱度,并產生Isc也許1.25倍的Isc單脈寬感應交流電,單脈寬:寬度很小于1ms,時時探測旁路電子元元器大家庭中的一員-肖特基二極管的雙向交流電值。參考IEC 61215-2規范標準,選取普賽斯PL型號窄單脈寬LIV考試儀整體或HCPL100高感應交流電單脈寬電作為一個單脈寬感應交流電,內容打印輸出單脈寬感應交流電時可同時自動測量元器交流電值,存在源測高精度將高達0.1%、內容打印輸出單脈寬邊沿陡(輕柔的100ns)、考試儀效應高等專科學校優越性。
圖:普賽斯PL類型窄脈沖激光LIV自測操作系統

圖:普賽斯HCPL100高電壓電流電磁電原
PID測試圖片計劃
方案格式用到E類別高相電阻源測單元測試對于高電阻源,給太陽時能鋰電構件的金屬電極和金屬外框給予1000V或1500V高電阻,測兩端互相能不現實存在漏功率。機器用到恒壓測流格局,主要相電阻萬代高達3500V,最低功率低至1nA。
圖:普賽斯E產品高電壓值源測單元尺寸
電板控件測驗工作方案
鈣鈦礦鋰電池組箱構件經常是經過多塊鋰電池組箱串串聯成型,都有不大電壓電流值和熱效率。普賽斯HCP大熱效率脈寬源表極限電壓電流值100A,高熱效率兼容5000W,都可以無法大熱效率的鋰電池組箱構件I-V測試方法供需。
圖:普賽斯HCP國產大電流大小臺式機電磁源表
普賽斯電子儀表制定的精細型數字化源表(SMU)是對鈣鈦礦日隊能電池箱板和各種各樣的別的元電子器件的完成電效能指標表現的較佳很好解決設計方案。其廣袤的瞬時電流和電流值檢測的范圍圖,是就能夠為科技研究及種植生產加工給出非常好的檢測的效能指標。結合實際日隊光虛擬器或者特用的上位機系統軟件系統軟件,能大大要學會簡化日隊能電池箱板測試儀利用率,是就能夠更精準、更輕輕松松的表現元電子器件。 關與普賽斯各款表數字1源表(SMU)及軟件應用設計的數據,迎接即時來電詢問我們哦諮詢18140663476。
在線
咨詢
掃碼
下載