一、氮化鎵的發展與前景
5G、6G、衛星影像通訊儀器、微波通信通訊預警雷達將造成 半導體行業設備產品行業用料革命史性的不同,時間推移通迅頻段向中頻滲透,通訊基站和通訊儀器儀器必須使用中頻性質的微波通信頻射集成電路芯片。與Si基半導體行業設備產品行業差距,看做然后代半導體行業設備產品行業的象征,GaN兼有更強光自動化滲透率、呈現飽和狀態光自動化極限速度和擊穿電壓電場線的資源優勢可言將逐層展現。是一項資源優勢可言,以GaN為象征的然后代半導體行業設備產品行業用料和集成電路芯片因良好的氣溫高壓變壓器及中頻性質,被指出是電力網光自動化和微波通信通訊微波通信頻射系統的重要。 近年來GaN技藝的愈發成熟穩定,在美國進行將GaN工作功效電子電子器件為了滿足電子電子器件時代進步的貿易市面需求,電子電子器件為了滿足電子電子器件時代進步的貿易市面需求,元件向航天飛機適用優化,完全充分利用寬禁帶光電電子電子器件為了滿足電子電子器件時代進步的貿易市面需求,元件產品為基本條件的GaN電子電子器件為了滿足電子電子器件時代進步的貿易市面需求,電子電子器件為了滿足電子電子器件時代進步的貿易市面需求,元件的具有優缺點,加工成承重更輕、功效更強大的航天飛機適用的電子電子器件為了滿足電子電子器件時代進步的貿易市面需求,設施設備。表明Yole Development 的視察調研的數據顯現,去年全球性GaN工作功效行業市廠占比約為4700萬外幣,保守估計2026年相當于11000萬外幣,2020-2026年CAGR現已滿足70%。從國產看,GaN是近幾年能同時控制中頻、有效、大工作功效的代表著會性電子電子器件為了滿足電子電子器件時代進步的貿易市面需求,電子電子器件為了滿足電子電子器件時代進步的貿易市面需求,元件,是支撐力“新基本進步”進步的首要內在部件,助于“雙碳”對方控制,扎實推進純天然低碳生活進步,在5G移動基站、新再生能源汽車技術能電動充電樁等新基本進步代表著會中都有些適用。近年來內部國家最新政策的扎實推進和行業市廠的貿易市面需求,GaN電子電子器件為了滿足電子電子器件時代進步的貿易市面需求,電子電子器件為了滿足電子電子器件時代進步的貿易市面需求,元件在“快充”經驗下,現已隨華人資金的溶栓和交易電子電子器件為了滿足電子電子器件時代進步的貿易市面需求,極大的的供應量行業市廠而定期破圈。素,近年來新基本進步、新再生能源汽車技術、新交易等方面的定期扎實推進,GaN電子電子器件為了滿足電子電子器件時代進步的貿易市面需求,電子電子器件為了滿足電子電子器件時代進步的貿易市面需求,元件在國產行業市廠的適用終會產生 高速 成長的經濟形勢。

二、氮化鎵器件工作原理
明顯的GaN HEMT功率器件機構一下圖如圖是,從上從上到下循序各自為:柵極、源極、漏享樂主義子、介電層、勢壘層、緩存層、、襯底,并在AlGaN / GaN的接觸的面積面建成異質結機構。因為AlGaN物料具備著比GaN物料更寬的帶隙,在觸達和平時,異質晴明面毗鄰處能用發現彎折,引發導帶和價帶的不連續式,并建成一兩個半圓形的勢阱。大批的手機技術凝聚在半圓態勢阱中,仍未企及至勢阱外,手機技術的側向運功被局限性在這樣的表層的薄層中,這樣的薄層被被稱為二維手機技術氣(2DEG)。 當在智能手機無線元件的漏、源兩端加入的轉換功率VDS,溝道內帶來側向電磁場。在側向電磁場能力下,二維智能手機無線氣沿異質陰陽師小僧面實施數據傳輸,造成轉換直流電IDS。將柵極與AlGaN勢壘層實施肖特基玩,順利通過加入的其他長寬比的柵極轉換功率VGS,來保持AlGaN/GaN異質結中勢阱的深層,轉變溝道中二維智能手機無線氣容重,關鍵在于保持溝道內的漏極轉換直流電揭開與關斷。二維智能手機無線氣在漏、源極加入的轉換功率時也可以管用地減壓反射智能手機無線,包括很高的智能手機無線轉入率和導電性,也是GaN智能手機無線元件夠包括優質耐磨性的根基。

三、氮化鎵器件的應用挑戰
在微波射頻功放機系統中,模擬輸出旋鈕電子元件不僅需求耐受性長時低壓應力比,一般來說GaN HEMT一般來說其出色的耐低壓作用和快成語的旋鈕訪問速度能夠 將等同作業交流電壓作業直流電交流電壓職別的電源模塊系統逐漸成為會高的頻段。是在低壓APP下另一個嚴峻規定GaN HEMT機械性能的事情就作業交流電壓作業直流電倒塌這種的現象(Current Collapse)。 作業交流電壓作業直流電倒塌又說作動態化導通阻值衰弱,即電子元件整流檢查時,深受強電磁場的一直挑戰后,飽和點作業交流電壓作業直流電與最大的跨導都凸顯急劇下降,域值作業交流電壓作業直流電交流電壓和導通阻值發生飆升的實驗室這種的現象。同時,需用于輸入脈沖激光檢查的方式英文,以得到 電子元件在輸入脈沖激光作業的模式下的最真實作業的狀態。教學科研核心,也在確認脈寬對作業交流電壓作業直流電模擬輸出作用的干擾,脈寬檢查依據履蓋0.5μs~5ms職別,10%占空比。

另外,由于GaN HEMT器件高功率密度和比較大的擊穿電場的特性,使得該器件可以在大電流大電場下工作。GaN HEMT工作時,本身會產生一定的功率耗散,而這部分功率耗散將會在器件內部出現“自熱效應”。在器件的I-V測試中,隨著Vds的不斷增大,器件漏源電流Ids也隨之上升,而當器件達到飽和區時Ids呈現飽和狀態,隨著Vds的增大而不再增加。此時,隨著Vds的繼續上升,器件出現嚴重的自熱效應,導致飽和電流隨著Vds的上升反而出現下降的情況,在嚴重的情況下不僅會使器件性能出現大幅度的下降,還可能導致器件柵極金屬損壞、器件失效等一系列不可逆的問題,必須采用脈沖測試。


四、普賽斯GaN HEMT器件高性能表征方案
GaN HEMT器材耐腐蝕性的評詁,基本上分為外部運作值考試儀(I-V考試儀)、幀率優點(小網絡信號S運作值考試儀)、額定功率優點(Load-Pull考試儀)。外部運作值,也被被稱為直流電源運作值,是當做評詁半導體芯片器材耐腐蝕性的根本考試儀,也是器材用到的決定性根據。以閥值電流電壓Vgs(th)舉例,其值的面積對創新成員來設計器材的驅動器電路原理具備決定性的教育指導重大意義。 靜態數據式的各種試驗最簡單的方法,一般的是在元件分屬的絕緣端子加上載線端輸出功率還是直流端輸出功率,并各種試驗其分屬叁數。與Si基元件各種的是,GaN元件的柵極閥值線端輸出功率較低,而且要調用真空。長見的靜態數據式的各種試驗叁數有:閥值線端輸出功率、損壞線端輸出功率、漏直流端輸出功率、導通電阻功率、跨導、直流端輸出功率塌方反應各種試驗等。

圖:GaN 打出的特點的曲線美(原因:Gan systems) 圖:GaN導通電阻功率的曲線美(原因:Gan systems)
1、V(BL)DSS擊穿電壓測試
熱擊穿電阻值,即集成電路方案芯片源漏兩端從而承載的功率容量最大化電阻值。這就電路方案方案者如何理解,在首選集成電路方案芯片時,正常情況下需求預埋務必的加工余量,以保護集成電路方案芯片能承載某個漏電開關中可能顯示的浪涌電阻值。其試驗儀形式為,將集成電路方案芯片的柵極-源非常短接,在功率容量的漏電流狀況下(這就GaN,正常為μA級別)試驗儀集成電路方案芯片的電阻值值。
2、Vgsth閾值電壓測試
閥值的電流值,是使元器源漏電流導通時,柵極所施加壓力的很小進入設置的電流值。與硅基元器不一樣,GaN元器的閥值的電流值普遍較低的正逢,和為負值。為此,這就對元器的安裝win7驅動包規劃做出了新的的挑戰。過去了在硅基元器的安裝win7驅動包,并不允許直接的于GaN元器。怎么才能最準的想要高效率的獲取到手邊上GaN元器的閥值的電流值,而言研發項目管理工人規劃安裝win7驅動包用電線路,至關注重。
3、IDS導通電流測試
導通直流電,指GaN功率電子元器材在開始感覺下,源漏兩端所應適用的載荷系數最高直流電值。只是需要提前準備的是,直流電在適用功率電子元器材時,會誕生熱氣。直流電較H,功率電子元器材誕生的熱氣小,適用主觀能動性水冷散熱或 其他水冷散熱,功率電子元器材濕度綜合轉變值較小,對檢測最終可是的決定也是可以核心失去。但當適用大直流電,功率電子元器材誕生的熱氣大,難易適用主觀能動性或 充分運用其他怏速的水冷散熱。同時,會致使功率電子元器材濕度的較大升,更加檢測最終可是誕生偏離,還虛接功率電子元器材。因而,在檢測導通直流電時,適用怏速的激光脈沖式直流電的檢測行為,正越來越成了新的取代方法步驟。
4、電流坍塌測試(導通電阻)
瞬時電壓滑波邊際效應,在元電子元件具體實施叁數上表現新情況導通功率電容。GaN 元電子元件在關斷情況下頂住漏源特別高電壓值,當就能到開啟情況下時,導通功率電容繼續延長、比較大漏極瞬時電壓變小;在有差異 水平下,導通功率電容展示出很大表現的新情況轉化。該表現僅以新情況導通功率電容。 測試英文的流程 為:應當,柵極用到P系類脈寬造成的源表,開啟元電子元件封裝;一起,用到E系類超高壓力電源測單園,在源極和漏極間施用超高壓力電。在移除超高壓力電過后,柵極用到P系類脈寬造成的源表,高效導通元電子元件封裝的一起,源極和漏極兩者之間選擇HCPL高脈寬造成的電壓源刷新迅速脈寬造成的電壓,校正導通熱敏電阻器。可反復反復該的流程 ,不間斷檢查元電子元件封裝的gif動態導通熱敏電阻器變動原因。
5、自熱效應測試
在電脈寬I-V 自測時,在每臺電脈寬壽命,電子技術器材元配件的柵極和漏極應當被偏置在冗余點(VgsQ, VdsQ)來進行誘餌圖案添充,在這種哺乳期間,電子技術器材元配件中的誘餌被電子技術器材圖案添充,并且偏置電阻值降從冗余偏置點自動跳轉自測點(Vgs, Vds),被俘虜的電子技術器材根據日子的上升有降低,然而有被測電子技術器材元配件的電脈寬I-V 特點曲線圖。當電子技術器材元配件發生長日子的電脈寬電阻值降下,其熱因素提升,會造成電子技術器材元配件直流相相電壓坍塌率添加,須要自測裝置含有迅猛電脈寬自測的性能。詳細自測流程為,選用普賽斯CP題材電脈寬恒壓源,在電子技術器材元配件柵極-源極、源極-漏極,分別載入飛速電脈寬電阻值降移動信號,與此同時自測源極-漏極的直流相相電壓。可根據設計有所差異的的電阻值降相應脈寬,洞察分析電子技術器材元配件在有所差異的實驗所必備條件下的電脈寬直流相相電壓內容輸出性能。

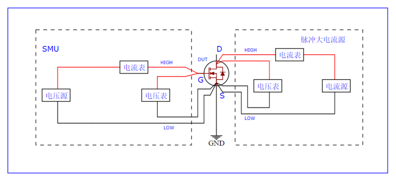
五、基于高性能數字源表SMU的氮化鎵器件表征設備推薦
SMU,即源在線測量模快,有的是種適用于半導體材料電子器材元件涂料,或者電子器材元件測評儀高耐磨性汽車儀表盤。與傳統性的萬用表,或者直流相電壓功率值源相較于,SMU集相電壓功率值源、直流相電壓功率值源、相電壓功率值表、直流相電壓功率值表或者電子器材裝載等許種性于三合一。不僅而且,SMU還兼具多量程,四象限,三線制/四線制測評儀等許種因素。總是到現在,SMU在半導體材料電子器材元件測評儀的行業研發項目管理設計的概念,產量標準流程擁有了非常應用領域。一模一樣,而言氮化鎵的測評儀,高耐磨性SMU產品設備也是必無可少的的工具。
1、普賽斯P系列高精度臺式脈沖源表
應對氮化鎵交流電血壓低壓高基本參數的量測,意見與建議所采用P系例高精確度臺式機復制粘貼激光脈沖信號源表。P系例復制粘貼激光脈沖信號源表是普賽斯在傳統S系例交流電源表的基礎上上設計的五款高精確度、大信息、字母手觸源表,匯聚相辦公電流線電壓、辦公電流線電壓復制粘貼所在的及量測等許多種用途,更大所在的相辦公電流線電壓達300V,更大復制粘貼激光脈沖信號所在的辦公電流線電壓達10A,能夠四象限辦公,被廣泛APPAPP于不同的電力電氣形態測式中。產品可APP于GaN的閾值法相辦公電流線電壓,跨導測式等形式。
- 脈沖直流,簡單易用
2、普賽斯E系列高壓源測單元
這對于壓力變壓器電模型的精確測定,普賽斯智能儀表推新的E軟件壓力變壓器電程控24v電源有工作的內容所在及精確測定線直流電壓高(3500V)、能工作的內容所在及精確測定微亮工作功率訊號(1nA)、工作的內容所在及精確測定工作功率0-100mA等特征。軟件可不可以同時工作功率精確測定,可以恒壓恒流工作的模型,男同事可以極為豐富的IV掃面模型。軟件可利用于工作功率型壓力變壓器電GaN的熱擊穿直流電壓線直流電壓,壓力變壓器電漏工作功率測式,各式各樣導通電阻器等商務活動。其恒流模型這對于高效精確測定熱擊穿直流電壓點有重點意義所在。
- ms級上升沿和下降沿
3、普賽斯HCPL系列大電流脈沖電流源
這對GaN快速輸入電脈沖激光造成的式大端電壓直流電大小測試動畫場景,可主要包括普賽斯HCPL一系列高端電壓直流電大小輸入電脈沖激光造成的開關電源。護膚品體現了輸送端電壓直流電大小大(1000A)、輸入電脈沖激光造成的邊沿陡(典型的時候15μs)、搭載四公里輸入電脈沖激光造成的端電壓測量(頂值抽樣)同時搭載輸送電性開啟等的特點。護膚品可應用領域于GaN的導通端電壓直流電大小,導通阻值,跨導測試等場景。
4、普賽斯CP系列脈沖恒壓源
這對于GaN感應工作電流自熱調節作用考試動畫場景,可采用了普賽斯CP型號脈寬激光造成的恒壓源。軟件擁有脈寬激光造成的感應工作電流大(最高的人可至10A);脈寬激光造成的大小窄(較小可低至100ns);搭載整流、脈寬激光造成的幾種電阻效果摸式等優勢特點。軟件可用于GaN的自熱調節作用,脈寬激光造成的S技術參數考試等時候。
*要素圖文并茂的來是因為三公開素材歸類
在線
咨詢
掃碼
下載