集成電路測試貫穿了從設計、生產到實際應用的全過程,大致分為:
- 裝修設計方案的階段的裝修設計方案核實測試儀- 晶圓制造技術環節的生產技術監控視頻測評- 芯片封裝前的晶圓測式- 芯片封裝后的的成品測試圖片芯片測試應用現狀
芯片測試作為芯片設計、生產、封裝、測試流程中的重要步驟,是使用特定儀器,通過對待測器件DUT(Device Under Test)的檢測,區別缺陷、驗證器件是否符合設計目標、分離器件好壞的過程。其中直流參數測試是檢驗芯片電性能的重要手段之一,常用的測試方法是FIMV(加電流測電壓)及FVMI(加線電壓測感應電流)。
以往的集成塊電的性能測式要數臺儀器汽車義表盤完成任務,如交流電壓源、電壓源、萬用表等,不過由數臺儀器汽車義表盤分解成的軟件要分離采取程序語言、發送到、接觸、在線測量和數據分析,的過程有難度又時長,又擠占假如你測式臺的三維空間,同時還用到唯一功能鍵的儀器汽車義表盤和勉勵源還具有有難度的彼此之間間解鎖運營,有最大的不確認性及比較慢的系統總線傳送高速度等異常現象,不可無法高效性率測式的供給。實施芯片電性能測試的最佳工具之一是羅馬數字源表(SMU),數字源(yuan)(yuan)表(biao)可作為(wei)獨立(li)的恒壓源(yuan)(yuan)或恒流(liu)源(yuan)(yuan)、電(dian)(dian)壓表(biao)、電(dian)(dian)流(liu)表(biao)和電(dian)(dian)子(zi)負載,支持四象限功能,可提供恒流(liu)測(ce)(ce)(ce)壓及恒壓測(ce)(ce)(ce)流(liu)功能,可簡化(hua)芯片電(dian)(dian)性能測(ce)(ce)(ce)試方(fang)案(an)。
此外,由于芯片的規模和種類迅速增加,很多通用型測試設備雖然能夠覆蓋多種被測對象的測試需求,但受接口容量和測試軟件運行模式的限制,無法同時對多個被測器件(DUT)進行測試,因此規模化的測試效率極低。特別是在生產和老化測試時,往往要求在同一時間內完成對多個DUT的測試,或者在單個DUT上異步或者同步地運行多個測試任務。
基于普賽斯CS系列多通道插卡式數字源表搭建的測試平臺,可進行多路供電及電參數的并行測試,高效、精確地對芯片進行電性能測試和測試數據的自動化處理。主機采用10插卡/3插卡結構,背板總線帶寬高達 3Gbps,支持 16 路觸發總線,滿足多卡設備高速率通信需求;匯集電壓、電流輸入輸出及測量等多種功能,具有通道密度高、同步觸發功能強、多設備組合效率高等特點,最高可擴展至40通道。

圖1:普賽(sai)斯CS類別插卡式源表
(10插卡及3插卡,高至40清算通道(dao))
基于數字源表SMU的芯片測試方案
實用普賽斯小數源表展開集成ic的開虛接檢查(Open/Short Test)、漏電流檢查(Leakage Test)甚至DC運作檢查(DC Parameters Test)。1、開短路測試(O/S測試)
開漏電檢測(Open-Short Test,也稱不間斷性或使用檢測),用以核實檢測設計與元件大部分引腳的電使用性,檢測的的過程是暫借對地確保肖特基二極管使用的,檢測拼接線路以下幾點圖甲中:
圖(tu)2:開短路故障測量輸電線路接觸示(shi)圖(tu)
2、漏電流測試
漏電流測試軟件測試軟件軟件,叫作為Leakage Test,漏電流測試軟件測試軟件軟件的原因最主要是產品檢驗鍵盤輸入Pin腳以其高阻睡眠狀態下的效果Pin腳的電阻值會不夠高,測試軟件測試軟件軟件相連電路系統以下的如下圖所示:
圖3:漏電流測(ce)試英文層(ceng)面(mian)連入構造
3、DC參數測試
DC運作的檢測,普通的都要Force直流電壓值檢測直流的電壓某些Force直流的電壓檢測直流電壓值,核心是檢測電阻值性。普通的各種類型DC運作都會在Datasheet上面標出來,檢測的核心基本原則是以保證心片的DC運作值貼合規管理范:
圖(tu)4:DC性(xing)能各種(zhong)測試錢路(lu)拼(pin)接表(biao)示

測試案例

測試體統手機配置
Case 01 NCP1377B 開短路測試
測驗 PIN 腳與 GND 彼此相通情況,測驗環節中SMU選用3V測定范圍,施用-100μA電阻值值,限壓-3V,測定電阻值值報告表 1 一樣,電阻值值報告在-1.5~-0.2 彼此,測驗報告 PASS。*測試方(fang)法輸(shu)電線(xian)路接(jie)觸(chu)對比圖2

圖5:NCP1377B開短路(lu)故障各種測試最(zui)終
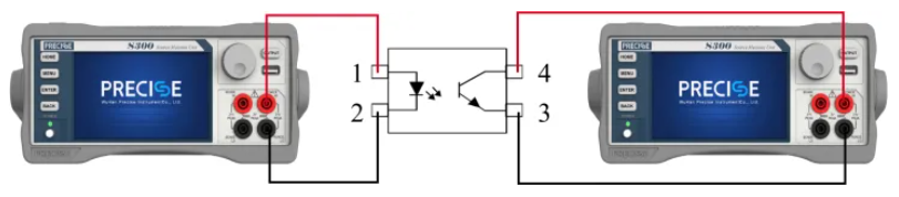
Case 02 TLP521 光電耦合器直流參數測試
光電解耦器其具體由兩臺分組名稱成:光的釋放成功端及光的受到入端。光的釋放成功端其具體由會發光整流整流二極管組成,整流整流二極管的管腳為光耦的導入端。光的受到入端其具體是光敏納米線管, 光敏納米線管是充分利用 PN 結在釋放反方向線電壓時,在燈光影響下反方向電阻值由大變小的的基本原理來做工作的,納米線管的管腳為光耦的打印輸出端。 裝修案例主要包括多臺SMU來進行考試,一架SMU與電子元件投入端接,看作恒流源驅動器會發光二級管并測定投入端關聯性能基本參數,另一個說的是架SMU與電子元件所在端接,看作恒壓源并測定所在的關聯性能基本參數。*試驗各線路對(dui)接操(cao)作圖(tu)4

圖6:BVECO 公測動態數據及曲(qu)線圖

圖(tu)7:ICEO測式數據(ju)分(fen)析及擬合曲線(xian)

圖8:輸進特征線性

圖9:讀(du)取性質(zhi)曲線擬(ni)合

在線
咨詢
掃碼
下載